Главная / Силовое электрооборудование / Аппаратура компенсации реактивной мощности и активная фильтрация гармоник (АКУ)

Аппаратура компенсации реактивной мощности и активная фильтрация гармоник (АКУ)

Конструктив и технологии
Наименование
Значение
Номинальное напряжение главных цепей, В
400
Предельно допустимое значение напряжения от номинального, %
± 10
Номинальная частота, Гц
50 ± 0,2
Напряжение цепей управления, В
230
Номинальное напряжение изоляции, В
660
Номинальный условный ток короткого замыкания, кА, не более
51* (* Значения могут уточняться в зависимости от встраиваемой аппаратуры)
напишите нам

Описание

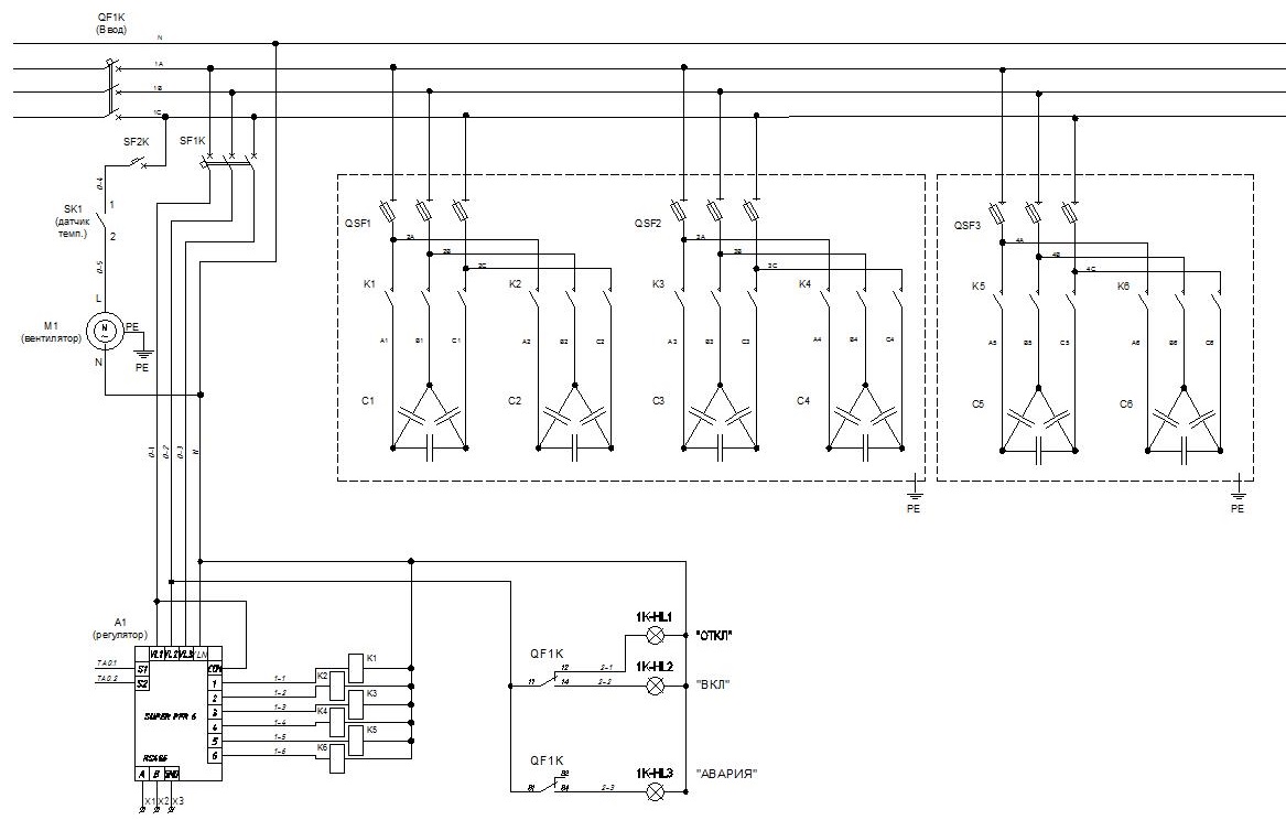
Установки конденсаторные автоматизированные для компенсации реактивной мощности АККУ-Эл-В (далее — АККУ-Эл-В) предназначены для повышения коэффициента мощности, а также для автоматического регулирования реактивной мощности в электрических сетях переменного тока напряжением 400 В, номинальной частотой 50 Гц.

Установки АККУ-Эл-В соответствуют ТУ BY 590976955.002-2014 и применяются для повышения коэффициента мощности нагрузки с широким диапазоном изменения потребления реактивной мощности. Каждая АККУ-Эл-В комплектуется регулятором (контроллером), подключенным к компенсируемой сети и отслеживающим изменение потребления нагрузкой реактивной мощности. По поступающим от регулятора реактивной мощности командам управления, АККУ-Эл-В автоматически производит набор необходимой мощности компенсации. Таким образом, процесс компенсации реактивной мощности полностью автоматизируется и не требует вмешательства обслуживающего персонала, а также позволит вам значительно сократить (до 30%) затраты на оплату электроэнергии, и увеличить срок службы силовых трансформаторов и кабелей.

 

схемы

напишите нам

GDPR txt